部材名称の解説後編です。
前編はこちらから↓
<前編>へ戻る。

⑩本体
PPクロスの本体です。図面では生地の構成やラミネート加工の有無の表記があります。
※生地の構成についてはこちら↓を参照
<生地の素材とデニール(D)とは?>
解説では省略しますが、図面上では上部、底部、本体の3つの部材に分かれています。
丸型と角型に大別されます。そちらの解説はまた後日アップします。
⑪カードケース
吊り下げタイプのカード差しです。A5サイズがよく使用されます。
⑫カードポケット
本体に縫い付けてあるタイプのカード差しです。
当社では識別の為、ド〇えもんのようにおなか(本体)についているタイプをカードポケットと呼んでいます。

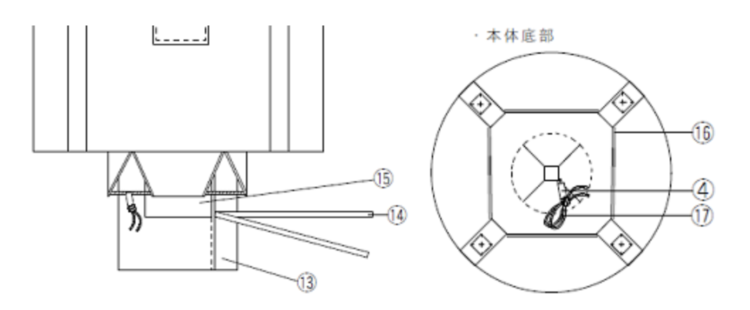
⑬排出口
充填物を排出する為の口です。詳しい解説は下記↓より。
フレキシブルコンテナのかたち① 投入口/排出口
⑭排出口縛りテープ
充填物を排出する際に開く平紐です。開きやすいような結び方をしています。
内袋をセットする場合は一緒に結んであります。
投入口と同じく、繰返し利用される場合はマジックテープ加工も可能です。
⑮排出口フタ
⑯底ロープ
底と底のベルト縫製にかかる荷重を均等にする為のロープです。
形状や仕様によっては付いていないものもあります。
⑰排出口縛りロープ
排出口が重みで飛び出ないように閉じる為のロープです。
ざっと部材は以上となります。
設計によってはご紹介していない部材もありますし、組み合わせも様々です。
前編はこちらから↓
<前編>へ戻る。



